產品中心Product center
-
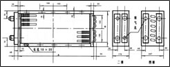
鈦管換熱器
鈦管換熱器 ...
-
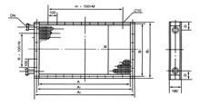
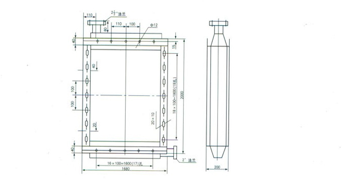
列管冷凝器
列管冷凝器 【列管冷凝器】 我公司生產的列管式冷凝器,分為碳鋼列管式冷凝器和不銹鋼列管式冷凝器和碳鋼與不銹鋼混合列管式冷凝三種。其規 ...
-
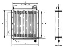
螺旋板式換熱器
螺旋板式換熱器 【螺旋板式換熱器】 螺旋板式換熱器是一種高效換熱器設備,適用汽-汽、汽-液、液-液,對液傳熱。它適用于化學、石油、溶劑、醫藥、 ...
-
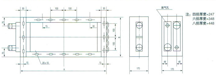
SRZ型散熱器
SRZ型散熱器 型號SRZ- 散熱面積(M2) 通風凈截面積(M2) 熱介質通過截面積(M2) 管排數(排) 螺旋翅片管根數 ...
-
GLⅡ型散熱器
GLⅡ型散熱器 表面管數 B (mm) 表面管長 24 700 30 850 36 1000 42 1150 48 1300 54 ...
-
UⅡ型散熱器
UⅡ型散熱器 表面管數 B (mm) 表面管長 24 30 36 42 48 54 ...
-
S型銅制散熱器
S型銅制散熱器 表面管數 B(mm) 表面管長 24 30 36 42 48 54 ...
-
FUL型油加熱器
FUL型油加熱器 型號FU1- 散熱面積(M2) 迎風面積(M2) 通風 ...
-
SRL型銅鋁復合散熱器
SRL型銅鋁復合散熱器 散熱器型號 散熱面積(M2) 通風凈截面積(M2) ...
-
TLS型熱交換器
TLS型熱交換器 表面管數 n 有效高 B 全高 B1 ...
-
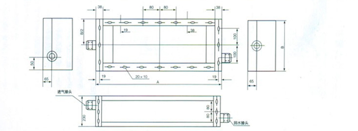
KL系列表面冷卻器
KL系列表面冷卻器 表面根數(根) 全高B1(mm) 有效高度B(mm) 水 ...
-
SZL(A)型散熱器
SZL(A)型散熱器 散熱器型號 通風凈截面積(㎡) 散熱面積(㎡) 熱媒 管束數量 尺寸(mm) 連接管 ...


